The focus is on the manufacture of bulk samples of various kinds of crystalline materials and nanocrystalline structures subsequently allowing one to plan measurements and research. The prefabricated samples of specific shapes and orientations are required to study the properties of any crystalline or other objects, according to the prescribed methods of a particular measurement. And, in particular, single crystals grown in various selected geometric directions require post-growth orientation, which actually determines their particular optical-physical properties in different geometries. Oriented single crystals are cut into samples of appropriate shapes and sizes, and their surfaces are processed to high optical quality level.
The nanocrystalline structures are manufactured based on the pre-prepared nanoporous matrices and the introduction of selected crystalline compounds into their pores. The method of filling the pores is determined depending on bringing a particular crystalline compound into a liquid state.
Lithium niobate ( LiNbO3 ) is a photorefractive material discovered in 1966. It is a negative crystal with a large spontaneous polarization (0.70 S/m2 at room temperature), and it is ferroelectric with the highest Curie temperature of 1210 °C.
LiNbO3 crystals have two particularly attractive features. First, these crystals have a number of photoelectric effects: piezoelectric, electro-optic, nonlinear optical, photorefractive, photoelectric, photoelastic, acousto-optic, and other ones.
Second, the productivity of LiNbO3 crystals is easily controllable, due to their lattice structure and abundant defect structures. Many properties of LiNbO3 can be largely controlled by crystal composition, doping, and element valence control. The physical and chemical properties of LiNbO3 crystalsare quite stable thus are easy to process and possess wide range of light transmission, and high birefringence.
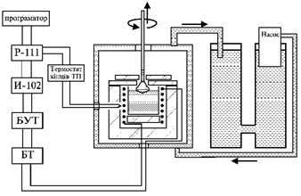
LiNbO3 isgrown mainly by the method of pulling onto an oriented seed - the Czochralski method (Fig. 1). The main methods for obtaining high-quality crystals are the lithium-enriched melt one, the flow one and the diffusion one. Our LiNbO3 is obtained by the interactionof Li2 CO3 with Nb2 O5 at 1050-1100° C.
LiNbO3 crystals are colorless with a rhombohedral structure (a = 0.547 nm, = 53.72°, space group R3c). They are insoluble in water and have a trigonal signonium belonging to the crystallographic point group of 3mC3v). Its crystal structure possesses no central symmetry, so lithium niobate is a ferroelectric. The crystals are optically transparent in the wavelength range of 0.4-5.0 μm; the refractive index of the ordinary beam is 2.29, that for the extraordinary beam is 2.20 (for a wavelength of 0.63 μm).

Fig.1. Block diagram of a growth setup with temperature stabilization (a) and (b) grown LiNbO3 crystal.
Growing LiNbO3nanocrystalsin matrices of porous structures (Si, SiO2 etc.) is carried out by impregnating porous matrices in a saturated aqueous solution of LiNbO3 with subsequent slow heating at a temperature of 100 - 120°C for 5-8 hours. Crystallization (growth of nanocrystals) is carried out in air using an IRF 10 IR furnace with a high heating rate (1-10 °C/s) to a temperature of 750 - 950 °C and a heating time was 5-20 min at this temperature (Fig. 2).
A saturated aqueous solution of LiNbO3 is prepared from the following water-soluble preparations: LiNO3 (0.013 mol, 95%, Grüssing) and NH4 NbO(С2 О4 )2 ·xH2O (0.013 mol, 99.99%, Aldrich), which are mixed at a molar ratio of 1:1 with the addition of 7g of distilled water. After that, the mixture has neen heated for 30 min at 60°C until the solid substance has been completely dissolved. It is also desirable to fill the matrices at the temperature of complete dissolution of the solution components ~ 60°C.

Fig.2. Porous Si matrix (a) nanocomposite Si: LiNbO3 (b); radiograph of a Si:LiNbO3 (c) nanocomposite.
LiNbO3 has expressive nonlinear optical characteristics, so it is used in lasers for second harmonic generation.
This material is used as a core for the ferroelectric elements, optoelectronics (optical waveguides, ring micro resonators), acoustoelectronics (piezoelectric transducers in delay lines, filters) as well as semiconductor electronics (FRAM non-volatile memory cells). The use of lithium niobate films can significantly simplify the technology for manufacturing such elements and allow them to be implemented in the production of simple CMOS structures, making some additions to the existing technology.
The crystal is distinguished by its excellent transparency and high damage threshold. Widely used in telecommunications and modulators, its properties such as a wide transparency range and significant electro-optical coefficients make it the preferred choice for many optical applications.
LiNbO3nanocrystals are active for second harmonic generation (SHD). They may enable further development of nonlinear optical techniques such as SHD microscopy for bioimaging, which require nanoparticle sizes to be well below 100 nm. LiNbO3 nanostructures with well-defined size distribution, crystallinity and phase are being studied for a variety of applications, including optical sensors for chemical and biological analysis, waveguides and electro-optical ceramics. The ferroelectric and piezoelectric properties of these nanomaterials also depend strongly on their size and shape. To meet the requirements of these applications, synthetic routes to obtain homogeneous LiNbO3 nanoparticles are being explored.
Nanostructured materials are important due to the wide range of their potential applications in electronics, optics, magnetism, electrochemistry, biology and medicine. The method of incorporating nanoscale objects into the host porous matrices with micro/ or nanopores is often used, which leads to the creation of composite materials. Nanostructure composite materials synthesized in such a way often exhibit a number of fundamentally new properties compared to homogeneous bulk materials of the same chemical composition, which are the basis of porous matrices or filling materials of such matrices.
The technology developed by us provides:
The proposed technology makes it possible to significantly increase the efficiency of introduction into the porous matrix of substances with desired physical properties and wide expand the functionality of the introduced components and wide increase the practical significance of such structures. Therefore, currently the subject of intensive study are nanostructure composite materials based on porous oxides, e.g. alumina (Al2O3) is distinguished by the relative easiness of its obtaining in electrolytes sulfuric, oxalic and phosphoric acids. The own-organized array of pores formed during etching has a uniform density of ~ 109 - 1010 cm-2 with an average pore size. The organized nanostructures can also be grown on porous silicon obtained by electrochemical etching of Si plates. When deposited in the pores of selected matrix of corresponding material, it gives such a composite with advanced technological properties. Deposition of quantum dots allows an creation of structures with unique optical and luminescent properties, suitable for the development of new optical methods and creation of novel elements of optoelectronics.
The interdisciplinary engineering combined with a relatively new fields of nanotechnology contains the key features to many new and innovative developments in the future.
Based on the selected conditions, it is possible to achieve partial or complete filling of the pores, and, consequently, it’s possible to get quantum dots, nanotubes or nanorods of different forms and sizes. As a result, the formed structures can be used as an active medium in the optical range. Nanocomposites is important in the quasi-optical range, where by introducing inhomogeneities, such as changes in dielectric constant, it is possible to form retarding structures, which creates conditions for the construction of antennas and filters, optoelectronic and laser devices, in a more of scientific, biomedical or industrial equipments.
The obtained experimental samples are available for demonstration, laboratory research, and investigation of the specific optical and physicals parameters.
The technology includes:
The proposed technology makes it possible to significantly improve the stability and efficiency of using of new or existing crystalline materials as working elements in solid-state optoelectronic devices that operate on the principles of electro -, piezo- or acousto-optic modulation of laser radiation. For many investigated by us crystals it was revealed that the direction of the electric field, uniaxial pressure, polarization and propagation of light and acoustic waves, which provides the most electro-, piezo- and acousto-optical parameters of crystalline materials in general do not coincide with the main crystal physical axes. Thus for the most efficient geometry corresponding to the global maximum of piezooptic effect with the angular coordinate Θ=42°, φ=30° and Θ=49°, φ=30°, it was possible to receive the increase of efficiency in 5 and 4 times in the piezooptical converters on crystals of lithium niobate and beta barium borate, respectively. Similarly, for lithium niobate crystals the maximum electroinductive path difference is almost 3 times greater (for Θ=54°, φ=90°), and the extreme value of the acousto- optical quality parameter for isotropic diffraction of light is 2.4 times greater (for Θ=60°, φ=7°), compared with the corresponding parameters for the standard geometry of straight cuts of these crystals. This enables to increase in the same amount of times the efficiency of lithium niobate crystals as working elements in corresponding devices for laser radiation control.
In addition, the use of crystalline materials at the point of their maximum electro-, piezo- or acousto-optic effects also guarantees a significant increase in stability values of investigated working parameter of the sample and thus the increase of stability of technical characteristics of the device.
The proposed technology can be successfully used in the development of electro-, piezo- or acousto-optical cells for the cases where the working elements of these devices are novel or already existing crystalline materials. In addition, the results of the development can be implemented in those areas of the economy where the crystalline materials used as sensitive elements of optical sensor devices or as components in various optoelectronic and laser devices in various scientific and industrial equipment, in particular, to improve the modulation of optical signal in modern information and communication systems.
Experimental samples are available for demonstration and are laboratory tested.
The development of optical and quasi-optical (sub-terahertz) technology to characterize the basic fundamental parameters, namely refractive indices of isotropic and anisotropic materials based on developed and created by us two experimental setups (general view and setup schemas see «Equipment»).
This setup corresponds to the best world analogues (or even exceed them).
Theoretically calculated accuracy of refractive index measurement on the optical experimental setup is 3.5x10-6=0.0000035. Based on the experiment such results were achieved: n0=2.2868±0.0002, ne=2.2032±0.0002 - LiNbO3 crystals and n0=1.5436±0.0005, ne=1.5527±0.0005 - for crystalline quartz.
The proposed setup can be successfully used both for research and for non-destructive express-measurements of refractive indices of plane-parallel plates from isotropic and anisotropic materials in industrial laboratories or for those companies and firms that are engaged in growing crystals and creation optoelectronic devices on their basis.
Based on the developed technology for more efficient use of anisotropic materials of solid state optoelectronics the experimental model of highly efficient acousto-optic cell to modulate powerful input information signal for optical-fiber transmission system was designed and fabricated.

As the material for acoustofiber LiNbO3:MgO crystal was used. This crystal was grown, cut and trimmed by "Carat". The orientation of the sample is selected according to the geometry found to be most effective for acousto-optic interaction, providing more than twice higher the value of the acousto-optical quality compared to traditionally-used acousto-optical geometry. Light box cell has a dimension of 6x9 мм2.